Oxygen Flowmeter for concentrator.
This Flow Meters is mainly used for measuring and controlling the flow of oxygen in oxygen concentrator.
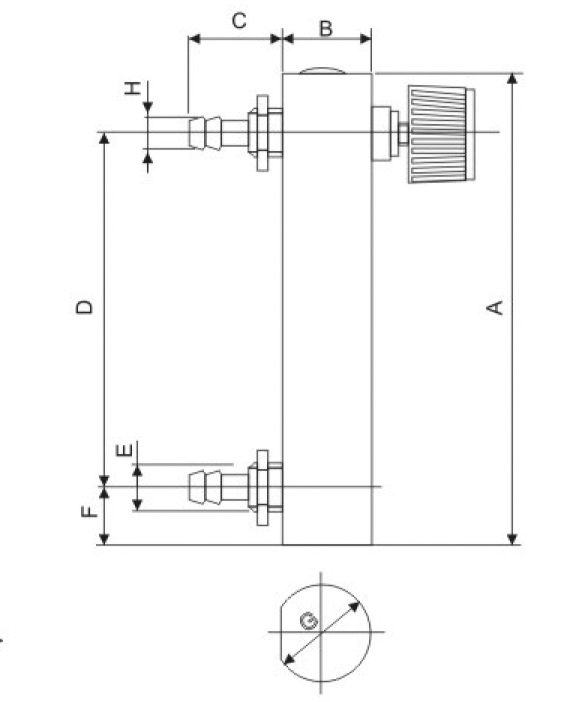
The outline size of DFG-6T O2 Series flow meter
Modl | No.
| Measure Range I/min | Connection type | accuracy | Size(mm) | |||||||
| A | B | C | D | E | F | G | H | |||||
DFG-6T O2 | 1 | 1-3 | Tube | ±5% | 60 | 20 |
21 (or) 19 | 40 |
M10X1 (or) 9/16-18 | 8 | 22 | 8 |
2 | 1-5 | 70 | 20 | 50 | 7 | 22 | 7 | |||||
3 | 0-5 0-9 0-10 | 93 |
20 |
70 |
10 |
22 |
8 | |||||
4 | 1-5 0-6 | 96 | 20 | 70 | 13 | 22 | 8 | |||||
5 | 0-5 1-5 0.1-1 2-10 0.5-10 0.5-14 4-25 0-1000cc/min | 106 |
20 |
80 |
13 |
22 |
8 | |||||
6 | 1-5 0.5-10 2-10 | 108 |
20 |
70 |
25 |
22 |
8 | |||||
7 | 0-5 1-5 2-10 0.5-14 |
115.5 |
20 |
90 |
13 |
22 |
8 | |||||

The material and code of the parts of DFG-6T O2
With value | Value | Fitting | Float | O-ring |
T- with O- No | 1.Brass 2.Ss | 1. Brass 2. Brass chromeplate 3. Ss 4. POM Plastic | 1.Agate ball 2.Ss ball | 1.Fluorin rubber 2. Butyl |